草莓视频污片草莓视频污片结构
在发展中国家,草莓视频污片广泛用于炼油,长输管道,化工,造纸,制药,水利,电力,市政,钢铁等行业,在国民经济中发挥着重要作用。

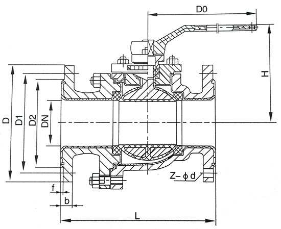
手动草莓视频污片草莓视频污片结构

气动草莓视频污片草莓视频污片结构
草莓视频污片的阀盘是带有圆形通道的球体,该通道围绕垂直于该通道的轴旋转,并且球与阀杆一起旋转以达到打开或关闭通道的目的。仅在90度旋转操作和小旋转扭矩的情况下,草莓视频污片才能紧密关闭。根据工作条件的要求,可以组装不同的驱动装置以形成具有不同控制方式的草莓视频污片,例如电动草莓视频污片,气动草莓视频污片,液压草莓视频污片等。

球阀的工作原理
由于草莓视频污片通常用橡胶、尼龙和聚四氟乙烯作为阀座密封圈材料,因此它的使用温度受到阀座密封圈材料的限制。
又由于草莓视频污片的阀座密封圈通常采用塑料制成,故在选择草莓视频污片的结构和性能上,要考虑草莓视频污片的耐火和防火,特别是在石油、化工、冶金等部门,在易燃、易爆介质的设备和管路系统中使用草莓视频污片,更应注意耐火和防火。
通常,在双位调节、密封性能严格、泥浆、磨损、缩口通道、启闭动作迅速(1/4转启闭)、高压截止(压差大)、低噪声、有气穴和气化现象、向大气少量渗漏,操作力矩小、流体阻力小的管路系统中,推荐使用草莓视频污片。
草莓视频污片也适用于轻型结构、低压截止(压差小)、腐蚀性介质的管路系统中。在低温(深冷)装置和管路系统中也可选用草莓视频污片。
在冶金行业的氧气管路系统中,需使用经过严格脱脂处理的草莓视频污片。在输油管线和输气管线中的主管线需埋设在地下时,需使用全通径焊接式草莓视频污片。在要求具有调节性能时,需选用带V形开口的专用结构的草莓视频污片。在石油、石油化工、化工、电力、城市建设中,工作温度在200度以上的管路系统可选用金属对金属密封的草莓视频污片。
草莓视频污片的优点:
1.草莓视频污片不受安装方向的限制,介质的流动方向可以是任意的。流体阻力小,全通径草莓视频污片基本上没有流动阻力。
2.草莓视频污片有两个密封面。目前,各种塑料被广泛用于草莓视频污片的密封表面材料,具有良好的密封性能,可以实现完全密封。它也广泛用于真空系统。
3.草莓视频污片适合频繁操作,启闭迅速轻便。它易于操作,并且可以快速打开和关闭。从完全打开到完全关闭只需旋转90度,这对于长距离控制很方便。
4,该草莓视频污片结构简单,密封圈一般可动,拆装方便。
5.当阀门完全打开或关闭时,球和阀座的密封表面应与介质隔离。当介质通过时,阀密封面不会被腐蚀。
6.它可用于多种应用,例如直径范围从几毫米到几米,可以施加从高真空到高压的压力。
7.草莓视频污片由于在打开和关闭过程中具有擦拭特性,因此可用于具有固体悬浮颗粒的介质。
8.草莓视频污片流体阻力小,无振动,噪音低。

